JINPAT High Current Integrated Slip Rings
Massive Power Capacity: Specifically engineered to support ultra-high current loads up to 4000A, ensuring stable power delivery for heavy-duty rotation.
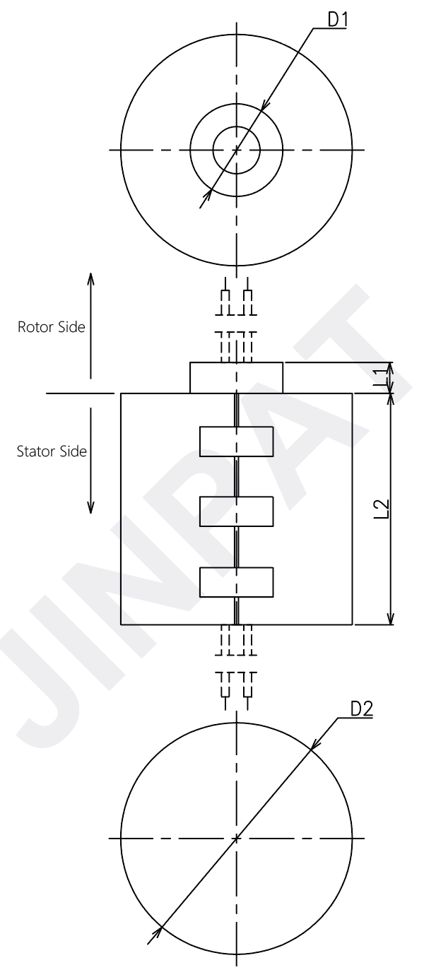
Integrated Design: Efficiently combines high-power channels with precision signal circuits in a single, compact structure to save installation space.
Advanced Contact Technology: Utilizes high-grade materials and durable carbon brush technology to achieve low contact resistance and smooth, friction-reduced rotation.
Built for Harsh Environments: Robust construction ensures reliable electrical performance and long service life in demanding industrial settings.
Fully Customizable: Flexible options for circuit configuration, voltage (up to 1000V), rotational speed, and protection levels (up to IP68).
Proven Industrial Applications: Widely used in offshore oil & gas platforms, marine engineering, ship cranes, harbor machinery, and heavy automation.
30+ Years of Excellence: Backed by JINPAT’s extensive experience in providing tailored, high-performance slip ring solutions for global clients.
LPA Series Specifications | ||||||||||||||
Series No. |
Max IP Grade | Explosion-proof | Outlet Way | Rotor/Stator Installation Method | ||||||||||
Round Series 1 |
IP68 | YES | with/without wire | design by customer's request | ||||||||||
Round Series 2 |
IP68 | YES | with wire | / | ||||||||||
Round Series 3 |
IP54/IP51 | NO | with/without wire | / | ||||||||||
Square Series 1 |
IP68 | YES | with/without wire | / | ||||||||||
Square Series 2 |
IP54 | NO | with/without wire | / | ||||||||||
Square Series 3 |
IP68 | NO | with wire | / | ||||||||||
LPA Round Series | ||||||||||||||
Dimension |
Circuits | Rating Current(optional) | Max Rated Voltage |
Round Series(optional) | ||||||||||
| D1 | D2 |
L1 | L2 | Optional | 60A | 100A | 130A | / | 690V | Series 1 | Series 2 | Series 3 | ||
| 300 |
300 |
according to circuits and other specifications | Optional | √ | √ | √ | ||||||||
| 350 | 350 |
Optional | 95A | 150A | 260A | / | √ | √ | √ | |||||
| 450 | 450 |
Optional | 150A | 250A | 340A | / | √ | √ | √ | |||||
| 500 |
500 |
Optional | 220A | 370A | 500A | / | √ | √ | √ | |||||
| 560 |
560 |
Optional | 220A | 370A | 500A | / | √ | √ | √ | |||||
| 720 |
720 |
Optional | 300A | 500A | 680A | 850A | √ | √ | √ | |||||
Round Series1 |
Round Series2 | Round Series3 | ||||||||||||
![]() |
![]() |
![]() |
||||||||||||
LPA Square Series | ||||||||||||||
Dimension |
Circuits | Rating Current(optional) | Max Rated Voltage |
Square Series(optional) | ||||||||||
| W2 |
L2 | L1/D1 |
W1 |
H1 |
H2 | Optional | 60A | 100A | 130A | / | 690V | Series 1 | Series 2 | Series 3 |
| 300 | 300 |
according to circuits and other specifications | Optional | √ | √ | √ | ||||||||
| 350 | 350 |
Optional | 95A | 150A | 260A | / | √ | √ | √ | |||||
| 450 | 450 |
Optional | 150A | 250A | 340A | / | √ | √ | √ | |||||
| 500 | 500 |
Optional | 220A | 370A | 500A | / | √ | √ | √ | |||||
| 560 | 560 |
Optional | 220A | 370A | 500A | / | √ | √ | √ | |||||
| 720 | 720 |
Optional | 300A | 500A | 680A | 850A | √ | √ | √ | |||||